misobonのサイト

電験一種 H25年 理論 問2

次の文章は、直流回路の電流計算 (等価変換) に関する記述である。文中の(0)に当てはまるものを解答群の中から選びなさい。

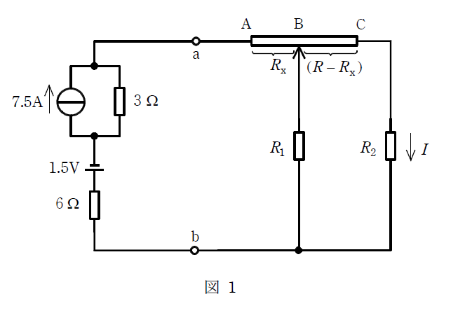
 図1において、抵抗 \(R_{2}\) に流れる電流\(I\)が最小になる条件を求めたい。ただし、図の可変抵抗のA-C間の抵抗を\(R\)、A-B間の抵抗を\(R_{x}\)、B-C間の抵抗を\((R-R_{x})\)とする。

 まず、図1の端子a-bより左側部分を図2に示す抵抗\(r\)と電圧源\(E\)に等価変換すると、それぞれ\(r =\)(1) \([\Omega]\)、\(E =\)(2) \([\text{V}]\)となる。

 ところで、図2について考えると、\(R_{2}\)に流れる電流\(I\)は、

\(I = \dfrac{R_{1} E}{\boxed{\vphantom{2}\hspace{1em} \text{(3)} \vphantom{2} \hspace{1em}} + R_{1}(R_2+R)+r(R_{1}+R_{2}+R)} \)

となる。ここで、電流\(I\)が最小となる条件は①式の分母が最大の場合であるから、\(R_{x}=\)(4)となるように可変抵抗を調整した場合に電流が最小となる。このとき、\((r+R_{x})\)と\((R-R_{x}+R_{2})\)の関係は、\((r+R_{x})\)(5)\((R-R_{x}+R_{2})\)となる。ただし、\((R_{2}+R) \gt r\)であるとする。

(イ) \(R_2+R-r\) (ロ) \(\gt\) (ハ)(5) \(=\)
(ニ) 4.5 (ホ)(2) 21 (ヘ)(3) \(R_x(R_2+R-r-R_x)\)
(ト) 2 (チ)(1) 9 (リ) \(R_x(R_1+R_2+R-r-R_x)\)
(ヌ) \(\lt\) (ル)(4) \(\displaystyle \frac{R_2+R-r}{2}\) (ヲ) \(\displaystyle \frac{R_1+R_2+R-r}{2}\)
(ワ) 1 (カ) 24 (ヨ) \(R_x(R_2+R-r)\)

出典:平成25年度第一種電気主任技術者理論科目A問題問2

解説

電験一種としてはかなり簡単な問題にあたるかと思います。

等価変換後の抵抗\(r\)

図1の電流源を電圧源に等価変換します。

この時3[Ω]の抵抗と6[Ω]の抵抗は直列になるので抵抗\(r\)は3+6=9[Ω]となります。

よって答えは(チ)の9です。

等価変換後の電圧源\(E\)

同様に図1の電流源を電圧源に等価変換します。

\begin{aligned} 7.5 \times 3 &= 22.5 \\ \end{aligned}

この電圧源は1.5[V]の電圧源と向きが逆なので、電圧源\(E\)は22.5-1.5=21[V]となります。

よって答えは(ホ)の21です。

\( R_2\)に流れる電流\(I\)

図2の全体の合成抵抗は

\begin{aligned} R_{total} &=r + R_{\mathrm {x}} + \dfrac{R_{1}\left( R-R_{\mathrm {x}}+R_{2}\right) }{R_{1}+R-R_{\mathrm {x}}+R_{2}} \\ \end{aligned}

全体に流れる電流は

\begin{aligned} I_{total} &=\dfrac{E}{r + R_{\mathrm {x}} + \dfrac{R_{1}\left( R-R_{\mathrm {x}}+R_{2}\right) }{R_{1}+R-R_{\mathrm {x}}+R_{2}}} \\ \end{aligned}

電流\(I\)は、分流の法則より

\begin{aligned} I &=\dfrac{E}{r + R_{\mathrm {x}} + \dfrac{R_{1}\left( R-R_{\mathrm {x}}+R_{2}\right) }{R_{1}+R-R_{\mathrm {x}}+R_{2}}} \cdot \dfrac{R_{1}}{R_{1}+R-R_{\mathrm {x}}+R_{2} } \\ &= \dfrac{R_{1} E}{r\left( R_{1}+R-R_{\mathrm {x}}+R_{2} \right) + R_{\mathrm {x}}\left( R_{1}+R-R_{\mathrm {x}}+R_{2} \right) + R_{1}\left( R-R_{\mathrm {x}}+R_{2}\right)} \\ &= \dfrac{R_{1} E}{R_x(R_2+R-r-R_x) + R_{1}(R_2+R)+r(R_{1}+R_{2}+R) } \\ \end{aligned}

となりますので、答えは(ヘ)の\(R_x(R_2+R-r-R_x)\)です。

分母が最大の場合の\(R_x\)

(3)の分母を\(R_x\)で微分します。

\begin{aligned} f(R_x) &= R_{x}(R_2 + R - r - R_{x}) + R_1(R_2 + R) + r(R_1 + R_2 + R) \\ &= R_x R_2 + R_x R - R_x r - R_x^2 + (R_1 R_2 + R_1 R + r R_1 + r R_2 + r R) \\ \end{aligned}

\begin{aligned} \frac{df}{dR_x} = R_2 + R - r - 2R_x \\ \end{aligned}

これを0とおいて\(R_x\)を求めます。

\begin{aligned} 0 &= R_2 + R - r - 2R_x \\ 2R_x &= R_2 + R - r \\ R_x &= \dfrac{R_2 + R - r}{2} \\ \end{aligned}

よって答えは(ル)の\(\displaystyle \frac{R_2+R-r}{2}\)です。

\((r+R_{x})\)と\((R-R_{x}+R_{2})\)の関係

\((r+R_{x})\)に\(R_x = \dfrac{R_2 + R - r}{2} \)を代入します。

\begin{aligned} r+R_{x} &= r + \dfrac{R_2 + R - r}{2} \\ &= \dfrac{R_2 + R + r}{2} \\ \end{aligned}

同様に、\((R-R_{x}+R_{2})\)に\(R_x = \dfrac{R_2 + R - r}{2} \)を代入します。

\begin{aligned} R-R_{x}+R_{2} &= R- \dfrac{R_2 + R - r}{2} +R_{2} \\ &= \dfrac{R_2 + R + r}{2} \\ \end{aligned}

よって両者は等しく、答えは(ハ)の\(=\)です。

  • (1)チ 9
  • (2)ホ 21
  • (3)ヘ \(R_x(R_2+R-r-R_x)\)
  • (4)ル \(\displaystyle \frac{R_2+R-r}{2}\)
  • (5)ハ \(=\)